Dashboard / Start Training / Order Training
顺序刷题
C类 第 1080 题 / 共 1282 题
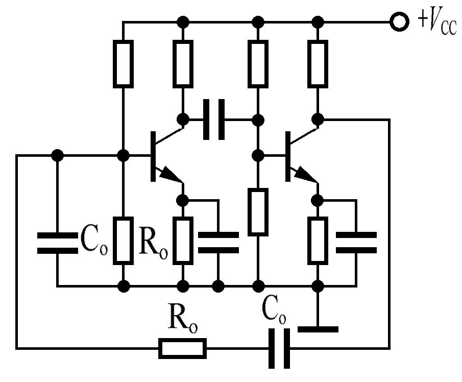
下列电路是一个:
题目图片